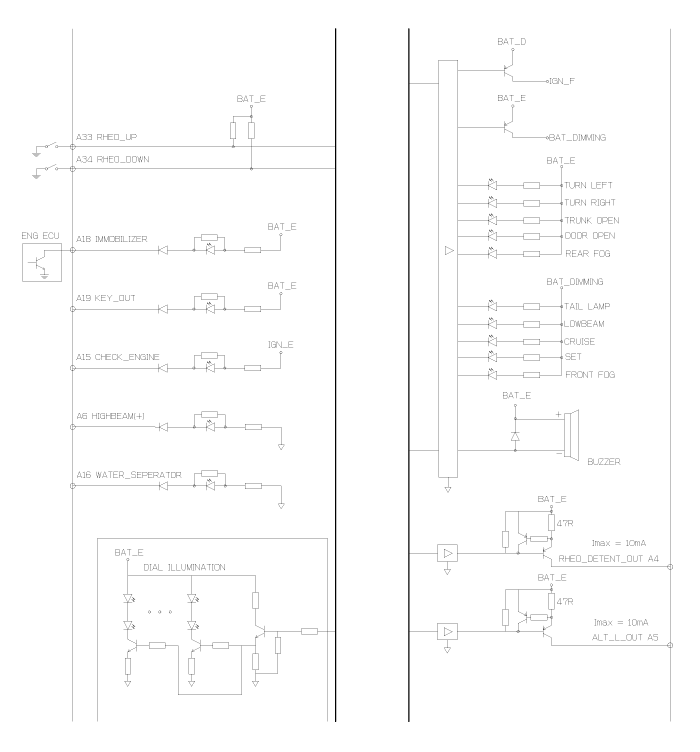
Kia Rio: Instrument Cluster Circuit Diagram| [Standard] |



| [Supervision] |



Instrument Cluster Components
Instrument Cluster InspectionAudio Remote Control Removal
1.
Disconnect the negative (-) battery terminal.
2.
Remove the driver airbag module.
(Refer to the RT group - "DAB and Clock spring ...
Heated Steering wheel System Circuit Diagram
Terminal Function
Housing
Pin
Function
Wire color
Pad
A
GND
Back
B
HEATER
Yellow
C
...
Seat Belt Buckle Switch (BS) Description
The SRSCM shall monitor the status of the driver and front passenger seat
belt buckle. The SRSCM provides one pin each for the driver and front passenger
seat belt buckle status input. The se ...