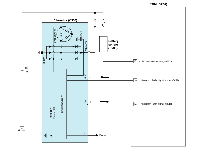
Kia Rio: Circuit Diagram

Components
RemovalEngine compartment
1. Engine coolant reservoir
2. Engine oil filler cap
3. Brake/clutch fluid reservoir
4. Air cleaner
5. Fuse box
6. Positive battery terminal
7. Negative battery terminal
8. Windshield washer ...
Power Out Side Mirror Switch Inspection
1.
Disconnect the negative (-) battery terminal.
2.
Remove the front door trim panel.
(Refer to the BD group - "Front door")
...
Specifications
Item
Specification
Rated voltage
DC 3V
Service voltage range
DC 2.7V ~ 3.5V
Temperature range
-4°F ~ 140°F (-20°C ~ +60°C) ...